简述无刷电动机的驱动方法

2025-09-06  来自: 淄博奥唯传动电器厂 浏览次数:55

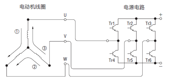
电动机线圈与开关用晶体管相连接,由6个晶体管组成变频器。上下的晶体管依一定顺序交互地重复ON-OFF,转变线圈电流的方向。接下来说明旋转的结构。


以下图的晶体管的开关程序执行STEP①时,晶体管是Tr1与Tr6为ON的状态。这时的线圈电流是从U相流到W相,U相被励磁成N极、而W相则被励磁成S极。因此,转子旋转30°。此动作重复12次,转子旋转。


简述无刷电动机的驱动方法

联系方式

  • 联系人:

    陈总

    热线:

    18615138000

  • 邮箱:

    18615138000@126.com

  • 公司地址:

    淄博市博山区城东街道后峪村工业园


扫一扫访问移动端